產品介紹
渦輪
module0.8
詳細內容
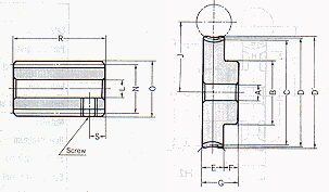
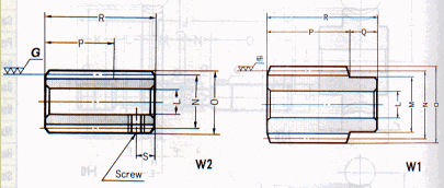
module 0.8 Worms
|
Catalog No.
|
Number
of start |
Hand
of thread |
Bare
|
Hub
dia. |
Pitch
dia. |
Outside
dia. |
Face
width |
Hub
width (R) |
Hub
width (L) |
Total
length |
Screw
|
Shape
|
weight (kgf)
|
|
|
LH7
|
M
|
N
|
O
|
P
|
Q
|
Q'
|
R
|
Size
|
S
|
|||||
|
MYSBW0.8-R1
MYSBW0.8-R2 |
1
2 |
R
R |
6
6 |
-
- |
14
14 |
15.6
15.6 |
-
- |
-
- |
-
- |
30
30 |
M4
M4 |
5
5 |
W2
W2 |
0.03
0.03 |
module 0.8 Worm Gears
|
Catalog No.
|
Reduction
ratio |
No. of
teeth |
Number of
strat |
Hand of
thread |
Bore
|
Hub
dia. |
Pitch
dia. |
Throat
dia. |
Outside
dia. |
Face
width |
Hub
width |
Total
length |
Mounting |
|
AH7
|
B
|
C
|
D
|
D
|
E
|
F
|
G
|
J
|
|||||
|
BEG0.8-20R1
BEG0.8-20R2 BEG0.8-30R1 BEG0.8-30R2 BEG0.8-40R1 BEG0.8-50R1 |
1 / 20 |
20
20 30 30 40 50 |
1
2 1 2 1 1 |
R
R R R R R |
5
5 5 5 6 8 |
12
12 18 18 20 25 |
16.03
16.11 24.04 24.16 32.05 40.06 |
-
- - - - - |
17.6
17.6 25.6 25.6 33.6 41.6 |
9
9 9 9 9 9 |
9
9 9 9 9 9 |
18
18 18 18 18 18 |
15
15 19 19 23 27 |
module1.25
詳細內容
module 1.25 Worms
|
Catalog No.
|
Number
of start |
Hand
of thread |
Bare
|
Hub
dia. |
Pitch
dia. |
Outside
dia. |
Face
width |
Hub
width (R) |
Hub
width (L) |
Total
length |
Screw
|
Shape
|
weight (kgf)
|
|
|
LH7
|
M
|
N
|
O
|
P
|
Q
|
Q'
|
R
|
Size
|
S
|
|||||
|
MYSBW1.25-R1
MYSBW1.25-R2 |
1
2 |
R
R |
8
8 |
-
- |
21
21 |
23.5
23.5 |
37
37 |
-
- |
-
- |
37
37 |
M5
M5 |
5
5 |
W2
W2 |
0.09
0.09 |
module 1.25 Worm Gears
|
Catalog No.
|
Reduction
ratio |
No. of
teeth |
Number of
strat |
Hand of
thread |
Bore
|
Hub
dia. |
Pitch
dia. |
Throat
dia. |
Outside
dia. |
Face
width |
Hub
width |
Total
length |
Mounting |
|
AH7
|
B
|
C
|
D
|
D
|
E
|
F
|
G
|
J
|
|||||
|
BEG1.25-20R1
BEG1.25-20R2 BEG1.25-30R1 BEG1.25-30R2 BEG1.25-40R1 BEG1.25-50R1 |
1 / 20 |
20
20 30 30 40 50 |
1
2 1 2 1 1 |
R
R R R R R |
6
6 6 6 8 8 |
20
20 25 25 30 40 |
25.04
25.18 37.57 37.77 50.09 62.61 |
27.5 |
28.75
28.75 41.25 41.25 53.75 66.25 |
11
11 11 11 11 11 |
9
9 9 9 9 9 |
20
20 20 20 20 20 |
23
23 29.25 29.25 35.5 41.75 |
module1,module1.5
詳細內容
module 1 Ground Worms
module 1 Worm Gears
module 1.5 Ground Worms
module 1.5 Worm Gears
module2,module2.5
詳細內容
module 2 Ground Worms
module 2 Worm Gears
module 2.5 Ground Worms
module 2.5 Worm Gears
module3,module4
詳細內容
module 3 Ground Worms
module 3 Worm Gears
module 4 Ground Worms
module 4 Worm Gears
module5,module6
詳細內容
module 5 Ground Worms
module 5 Worm Gears
module 6 Ground Worms
module 6 Worm Gears